Powered by Smartsupp

Hopsdrop - nádoba pro studené chmelení
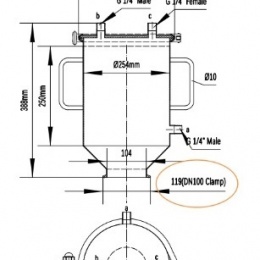
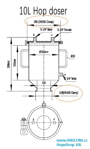
Hops Drop 10L

  • Kód: HD_10
  • Hmotnost: 14,00 kg

Nádoba pro studené chmelení, k připojení na horní klenuté dno tanku a pro dávkování granulovaného chmele při vyrovnání tlaku.

Vytvořili jsme pro vás webové stránky jen o Hops Dropu a Hops Masteru!

 👉 Podívejte se na www.hopsmaster.eu a www.hopsmaster.fr

435,79 € 581,05 €
Ceny jsou uváděné bez DPH

Základní informace

Nádoba pro studené chmelení, k připojení na horní klenuté dno tanku a pro dávkování granulovaného chmele při vyrovnání tlaku. 

HopsDrop se obecně skládá z přímé klapky DN 100, která je upevněna na fermentoru (lze upravit podle vašeho připojení na fermentoru). Dále má HopsDrop dole 1/4" BSP ventil pro přívod CO2, který tlačí kyslík do 1/4" BSP ventilu nahoře na víku. Na krytu je také instalován manometr 0-4Bar.

 Pro více informací prosím kontaktujte

Ing. Milan Janů, tel: 739 518 466, nebo mjanu@water4life.cz

Na vašem soukromí nám záleží

Potřebujeme Váš souhlas s použitím souborů cookies, aby Vám mohli lépe přizpůsobit webové stránky a usnadnit jejich používání. Kliknutím na tlačítko "Souhlasím" souhlasíte s uložením cookies do Vašeho prohlížeče, díky kterým využijete potenciál webu naplno. Podrobnosti najdete na stránce "Informace o cookies".