Powered by Smartsupp

Nerezový kulový kohout, dvoudílný s adapterem pro pohon
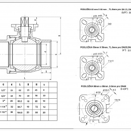
1/2”

  • Kód: MBA2022_1/2
  • Hmotnost: 0,31 kg
Varianta
Počet kusů
195,00 Kč 260,00 Kč
Ceny jsou uváděné bez DPH
SKLADEM

Základní informace

Připojenízávit vnitřní BSP-G, 1/2"
Tlakový rozsahmaximálně 69 bar (1000 PSI)
Pracovní teplota0–120 °C
Materiáltělo a koule 1.4301 (AISI 304), sedlo PTFE, těsnění dříku PTFE (podrobné materiálové složení – viz přílohy)

Montáž

Kulové ventily se připojují zašroubováním do vhodného protikusu. Doporučujeme při montáži provést konzervaci šroubení potravinářskou vazelinou Loctite 8105.

Oblasti použití dvoudílného kulového ventilu s montážní podložkou pro elektrický pohon

Vinařství, pivovarnictví, potravinářský a nápojový průmysl, mlékárenský průmysl, chladírenství, vodohospodářské aplikace, chemický průmysl atd.

Na vašem soukromí nám záleží

Potřebujeme Váš souhlas s použitím souborů cookies, aby Vám mohli lépe přizpůsobit webové stránky a usnadnit jejich používání. Kliknutím na tlačítko "Souhlasím" souhlasíte s uložením cookies do Vašeho prohlížeče, díky kterým využijete potenciál webu naplno. Podrobnosti najdete na stránce "Informace o cookies".